.jpg)
原标题:哈工大&北方车辆:Sc和Zr对挤压铸造ZL205A合金组织与性能的影响
随着世界对于节约资源和保护环境的重视,轻量化技术得到日益广泛的关注,推动了轻质合金材料的研究发展,其中以ZL205A为代表的铸造铝合金以其良好的铸造性能、低密度、低成本和高产率成为研究热点之一。ZL205A铝合金是典型的铝铜系高强铸造铝合金,适用于重力铸造、挤压铸造、离心铸造等。然而,ZL205A铝合金的结晶区间较大,达到105 ℃,容易导致成形件出现组织和性能缺陷,难以满足实际应用需求。随着工业生产对合金材料的中高温性能要求日益提高,需要进一步优化ZL205A铝合金的综合性能。
在提升铝合金性能的方法中,微合金化是一种高效且便捷的方法。向铝合金中加入Y、Sc和Zr等稀土元素,能够缩短铝合金的结晶区间,优化铸造组织、提高抗热裂性,并且提升其综合力学性能。研究发现,在2618铝合金中添加0.3%的Sc和0.3%的Zr后,合金铸态组织的晶粒尺寸由100 μm降到20~30 μm。在Al-Zn-Mg-Cu合金中添加了0.15%的Sc和0.12%的Zr,发现弥散细小分布的Al3(Sc,Zr)相具有显著的晶粒细化作用,使得合金铸态枝晶组织转变为细小的等轴晶组织。研究者发现当Al-5Cu合金中Sc含量为0.8%时,铸态α-Al组织由粗大的树枝晶转化为细小的等轴晶组织,Al3Sc相分布在AlCu纳米第二相的前端和边缘以限制第二相的生长,使得AlCu相在铝合金凝固过程中作为前驱体以细化α-Al晶粒组织。发现Al-Cu-Mg-Mn合金中加入了0.3%的Sc后其铸态抗拉强度、屈服强度和伸长率分别提高了43.5%、35.1%和50.0%。研究发现,Y通过减小ZL205A合金的凝固结晶温度区间,细化了ZL205A合金的铸态晶粒组织,对θ-Al2Cu第二相具有变质作用,提升了铸态铝合金的力学性能。向ZL205A合金中添加Sc能够形成颗粒状AlCu2Sc相和尺寸较大的块状AlScZrTi相,其中AlCu2Sc相通过破碎使位错塞积群处的应力集中得到释放,从而提高合金的塑性,而AlScZrTi相则割裂合金基体,大幅削弱合金的力学性能。当ZL205A合金中Sc的含量低于0.12%时没有明显的晶粒细化效果。质量分数为0.1%~0.5%的Er元素能够提升ZL205A合金的流动能力,减少缩松和缩孔等缺陷。
本研究采用熔体处理+挤压铸造对ZL205A铝合金进行微合金化处理,通过组织、性能和拉伸断口分析,研究了Sc和Zr及其添加量对铝合金的微观组织优化和力学性能强化的作用,为优化高强韧铸造Al-Cu合金组织以及提升其综合性能提供参考。采用挤压铸造工艺生产某型号改性铝合金汽车发动机连杆构件,通过构件性能测试和对比,为改性铝合金在轻量化和复杂形状高性能构件方向的应用需求提供参考。
图文结果
基体合金为ZL205A合金,其主要化学成分见表1。通过在ZL205A基体合金中添加一定含量的Al-4Zr和Al-2Sc中间合金来研究Zr和Sc元素对基体铝合金的微观组织和力学性能的影响,设计了ZL205A合金成分改性的具体工艺参数,见表2。
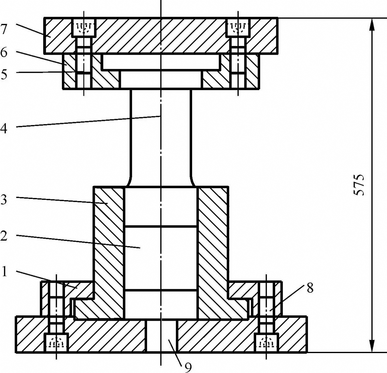
将适量的ZL205A基体合金放入表面涂覆有ZnO的石墨坩埚中,采用SG2井式坩埚电阻炉进行熔炼。当铝合金熔体的温度达到700 ℃时在其表面加入覆盖剂(NaCl+KCl)以防止氧化。熔体继续升温至740 ℃,待ZL205A基体合金熔化后加入Al-4Zr和Al-2Sc中间合金,对合金熔体进行充分搅拌以保证Zr和Sc元素分布均匀。在合金熔体中加入C2Cl6精炼剂进行除气精炼,之后将合金熔体浇入挤压铸造模具型腔中,加压凝固后由顶杆顶出,图1为铝合金挤压铸造模具总装示意图。挤压铸造在THP16-200T液压机上进行,加载速度为10 mm/s,成形压力为100 MPa,模具预热温度为250 ℃。
表1 ZL205A合金的化学成分(%)
.png)
表2 ZL205A合金成分改性试验工艺参数
.png)
.jpg)
图1 挤压铸造模具总装示意图
1.下模 2.制件 3.凹模 4.凸模 5.螺栓
6.上模 7.上模板 8.螺栓 9.顶杆
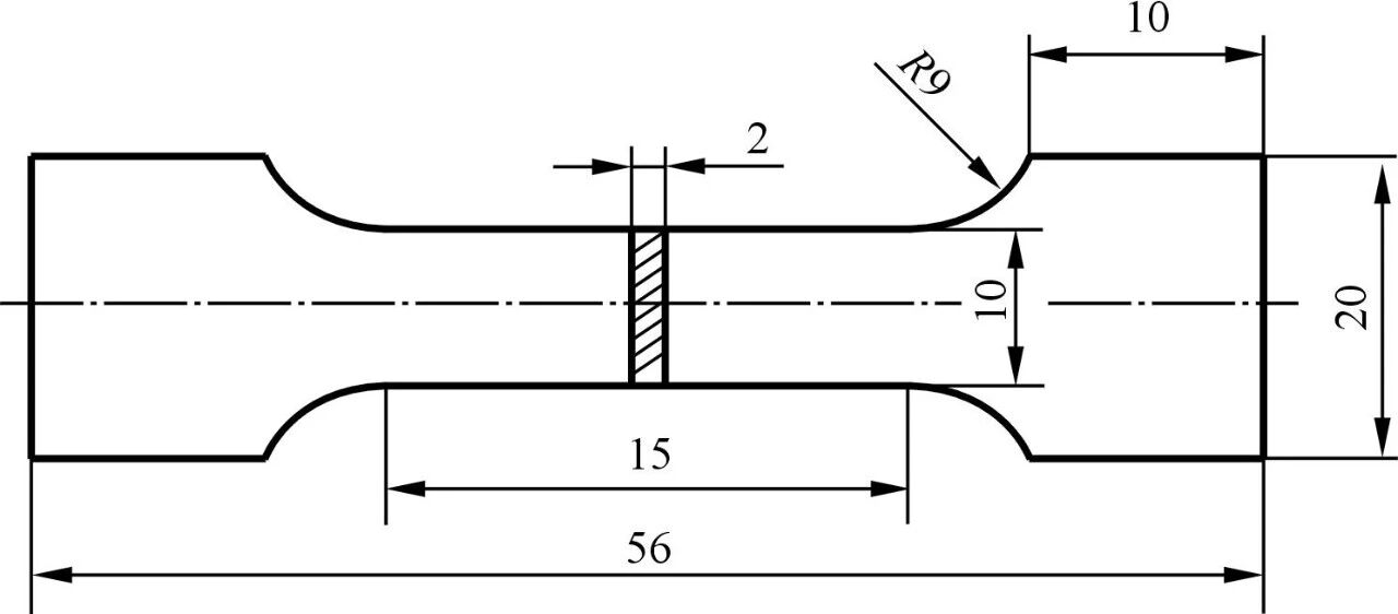
.jpg)
图2 拉伸试样示意图
图3为添加不同含量Sc的改性ZL205A合金的金相组织。由图3a和图3b可以看到,不含Sc的重力铸造ZL205A合金的金相组织主要由白色的α-Al树枝晶和黑色的共晶相组成。与挤压铸造ZL205A合金的金相组织相比,晶粒较粗大且晶界不清晰。随着挤压铸造ZL205A合金中Sc的含量由0增加到0.4%,基体合金的树枝晶发生了明显的细化现象,二次枝晶逐渐减少,黑色的共晶相组织明显减少且尺寸更加细小。Sc能够与Al生成具有L12结构的Al3Sc第二相,在铝合金凝固时Al3Sc相能够作为非均质形核的质点,增加铝合金的形核率。同时Al3Sc相在铝合金基体中以与母相共格的形式存在,能够起到钉扎位错和细化晶粒的作用,因此可以阻碍铝合金基体晶粒的粗化长大。
图4为添加不同含量Sc的改性ZL205A合金的室温力学性能。可以看到,重力铸造制备的ZL205A合金的综合力学性能较差,而铝合金经过挤压铸造加压凝固后,其综合性能能够得到较大的提升。这是因为挤压铸造可以基本消除重力铸造坯料组织中的缩松和缩孔等微观缺陷,并且提高合金的过冷度,在凝固阶段促进铝合金的形核,进而细化铸态的晶粒组织。根据霍尔-佩奇公式,晶粒的大小与合金的强度有很大的关系,在一定范围内,晶粒越细小,合金的强度越高。另外,晶粒组织细小使得合金在变形过程中位错滑移和位错塞积群的长度缩短,晶界处应力集中减小,合金的塑性也会得到提高。
.jpg)
(a)0,重力铸造 (b)0,挤压铸造 (c)0.2%,挤压铸造
.jpg)
(d)0.4%,挤压铸造 (e)0.6%,挤压铸造
图3 重力铸造和挤压铸造不同Sc含量时ZL205A合金的微观组织
.jpg)
图4 不同Sc含量的ZL205A合金的室温力学性能
图5是Sc含量为0.40%时不同Zr含量下挤压铸造ZL205A合金的金相组织。可以看到,随着Zr含量由0增加到0.15%,铝合金微观组织发生了明显的细化现象,并且部分晶粒由树枝晶逐渐转变为近球状晶粒。但是当Zr含量进一步增加到0.20%时,铝合金基体晶粒没有继续发生细化作用,其晶粒尺寸基本与Zr含量为0.15%时相同。Zr与Sc的晶格类型相同,两种元素复合添加能够增进Sc的变质强化作用,这是因为在铝合金的凝固过程中,Zr会替换Al3Sc相中部分Sc的位置,形成新的Al3(Sc,Zr)相。Al3(Sc,Zr)相具有极强的变质作用,与Al3Sc相比其析出密度显著增加,分布更加弥散,因此抑制晶粒粗化的能力更强。图6为具有不同Zr和Sc含量的挤压铸造改性ZL205A合金的室温拉伸力学性能。图7为具有不同Zr和Sc含量的挤压铸造改性ZL205A合金在150 ℃下的拉伸力学性能。
.jpg)
(a)0 (b)0.10 %
.jpg)
(c)0.15 % (d)0.20.%
图5 Sc含量为0.40%且不同Zr含量的ZL205A合金的微观组织
.jpg)
图6 不同Zr和Sc含量的ZL205A合金的室温力学性能
.jpg)
图7 不同Zr和Sc含量的ZL205A合金在150 ℃下的力学性能
对Zr含量为0.15%且Sc含量为0.40%的ZL205A铝合金进行T5热处理,其中T5热处理工艺为:首先在535 ℃下进行固溶处理10 h,之后立刻在60 ℃水中进行淬火,最后在175 ℃下进行12 h的人工时效处理。对经过T5热处理后的改性铝合金进行150 ℃下的拉伸测试,其结果为铝合金在150 ℃时的抗拉强度达到345.1 MPa,伸长率为15.8%。在时效处理过程中,θ′-Al2Cu析出相形核,Sc原子在θ′相与铝基体的界面处偏聚,限制了Cu原子由基体向θ′相的扩散,从而抑制了θ′相的长大,进一步提高了铝合金的时效强化效果。
图8为具有不同Zr和Sc含量的挤压铸造改性ZL205A合金分别在室温和150 ℃下的拉伸断口形貌。可以看到,在室温下没有改性的铝合金拉伸断口中存在部分缩松和缩孔,断口整体较为平整,韧窝比较浅显,说明合金断裂前发生的塑性变形并不充分,在拉伸过程中合金以缩松和缩孔作为裂纹源。随着塑性变形的发生,裂纹不断萌生并扩展,最终引起拉伸试样的断裂。
.jpg)
图8 不同Zr和Sc元素含量的ZL205A合金的拉伸断口形貌
基于汽车发动机轻量化及其对复杂形状高性能构件的实际应用需求,采用添加了0.40%的Sc和0.15%的Zr的ZL205A铝合金为原料,以某型发动机连杆为对象设计铝合金连杆构件尺寸以及连杆挤压铸造成形模具,见图9。将连杆挤压铸造成形模具的上下凹模采用螺栓紧固,使用加热圈将模具预热至300 ℃。将适量的改性铝合金在电阻炉中进行熔炼,当铝合金熔体温度达到700 ℃时在其表面加入覆盖剂;当铝合金熔体升温至740 ℃时,向熔体中加入精炼剂进行除气精炼,除渣后将合金熔体浇入连杆挤压铸造成形模具的型腔中,凸模冲头下行进行加压并保压3 min,之后卸除上凹模并顶出制件。液压机的加载速度为10 mm/s,连杆挤压铸造成形压力为100 MPa。在铝合金连杆构件上取样进行拉伸试验和硬度测试,图10为铝合金挤压铸造成形连杆构件照片和性能测试取样位置示意图。可以看到挤压铸造成形构件结构完整,表面没有明显裂纹、缩孔、折叠等宏观缺陷,成形良好。
.png)
.png)
(a)合金连杆构件尺寸及示意图(b)合金连杆挤压铸造成形模具示意图
图9 合金连杆构件及连杆挤压铸造成形模具示意图
.jpg)
图10 铝合金连杆构件及性能测试取样位置示意图
表3 铝合金连杆构件的力学性能
.png)
.jpg)
图11 连杆构件不同位置的硬度值
结论
(1)对挤压铸造ZL205A铝合金进行了成分改性研究,在ZL205A铝合金中加入适量的Sc,生成的Al3Sc析出相能够细化基体晶粒组织,提升综合力学性能。Sc的添加量为0.4%时铝合金的综合力学性能最佳,在室温下的抗拉强度达到389.5 MPa,较未添加的增加了11.9%,伸长率为14.8%,硬度(HV)达到122.9,提升了12.3%。但是过量的Sc会导致Al3Sc相聚集,使得铝合金的综合力学性能降低。
(2)在ZL205A铝合金中加入Zr和Sc元素,通过生成Al3(Sc, Zr)相细化基体晶粒组织,提高铝合金的综合力学性能,并且影响幅度较单一的Sc元素更高。但是Zr和Sc的过量添加同样会导致第二相颗粒发生聚集,使得铝合金性能降低。当Zr添加量为0.15%且Sc添加量为0.40%时,铝合金的综合力学性能最佳,室温下抗拉强度达到398.3 MPa,伸长率为15.7%,150 ℃下其抗拉强度为217.8 MPa,伸长率为24.1%;经过T5热处理后,在150 ℃下的抗拉强度为345.1 MPa,伸长率为15.8%。
(3)对添加了0.40%的Sc和0.15%的Zr的ZL205A铝合金进行挤压铸造成形某型号连杆构件,改性铝合金的成形性良好。由于构件挤压铸造成形过程中形成部分固相晶粒并发生塑性变形,与改性后挤压铸件相比连杆构件的力学性能获得了提高,其中连杆构件杆部的抗拉强度和伸长率分别为468.6 MPa和15.2%,抗拉强度与改性铝合金试样相比提高了17.6%。连杆构件上不同位置的硬度值(HV)基本高于135,其中大头端凸缘处的硬度值最高,为146.6。
《Sc和Zr对挤压铸造ZL205A合金组织与性能的影响》
綦育仕1 任雁2 杜兰君3 靳钰1 杜之明4 刘永旺4 陈刚1
1. 哈尔滨工业大学(威海)材料科学与工程学院;2. 北京北方车辆集团有限公司;3. 北京航天动力研究所;4. 哈尔滨工业大学材料科学与工程学院
本文转载自:《特种铸造及有色合金》
